Hướng dẫn sử dụng, lắp đặt và đấu nối công tắc Simon i7
1. Giới thiệu tổng quan về tính chất công tắc ổ cắm thiết bị điện Simon i7 cao cấp
Dòng công tắc ổ cắm Simon i7 lấy ý tưởng từ những phím đàn piano thanh lịch, series i7 của Simon mang đến không gian phong cách châu Âu hiện đại, đơn giản, độc đáo và tinh tế.
- Vỏ công tắc được làm bằng vật liệu PC chất lượng cao, chống cháy, chịu nhiệt độ cao, cứng cáp và chống va đập.
- Phần nút nhấn của công tắc lớn, bật/tắt êm, nhẹ nhàng chính xác, dễ dàng sử dụng. Cơ chế đóng mở linh hoạt đến 40.000 lần;
- Khả năng đi dây lớn và kết nối đáng tin cậy hơn;
- Công tắc thiết kế linh động, lắp đặt âm tường phù hợp với mục đích sử dụng của người dùng, bảo vệ hệ thống dây điện được đấu nối bên trong, tránh các tác động từ bên ngoài.
- Tuổi thọ có thể đạt hơn 12 năm trong điều kiện bình thường, hoàn toàn có thể đảm bảo an toàn về điện.
- Phần ổ cắm được làm từ chất liệu đồng hợp kim giúp tăng khả năng tiếp xúc với phích cắm, độ đàn hồi bền, lực ổn định, số lần cắm và rút có thể đạt hơn 10.000 lần;
- Ổ cắm được trang bị cửa bảo vệ an toàn để mang lại hiệu quả tốt hơn bảo vệ an toàn.
2. Hướng dẫn sử dụng
- Sử dụng tuốc nơ vít thông thường để tháo công tắc hoặc bảng điều khiển ổ cắm khỏi đế;
- Kết nối dây dẫn chính xác, đảm bảo kết nối giữa máy và điện an toàn, đáng tin cậy;
- Lấy các vít từ bao bì sản phẩm, cố định phần đế (với công tắc trước tiên phải tháo tấm nắp), và vị trí lắp đặt có thể được điều chỉnh thông qua các lỗ cài đặt theo nhu cầu;
- Để tránh ô nhiễm của bảng điều khiển trong quá trình trang trí, bảng điều khiển có thể được bọc trong một túi đóng gói, sau đó bảng điều khiển được lắp đặt trên đế, và việc lắp đặt hoàn tất;
- Khi lắp đặt, nhất định phải được thao tác bởi một thợ điện chuyên nghiệp, phải tuân thủ quy cách lắp đặt hệ thống dây điện
- Sản phẩm này thích hợp cho các hộp đáy có độ sâu ≥ 35mm.

3. Sơ đồ đấu nối dây công tắc i7
(Áp dụng với công tắc 1 chiều, công tắc 2 chiều bao gồm có LED và không có LED, công tắc chuông cửa, công tắc chuông cửa có LED)

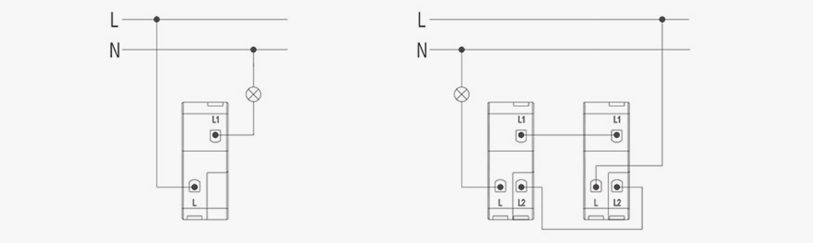
Sơ đồ 1: Cách đấu nối dây công tắc đơn 1 chiều và công tắc đơn 2 chiều Simon i7

Sơ đồ 2: hướng dấn đấu nối dây công tắc đôi 1 chiều và công tắc đôi 2 chiều Simon i7

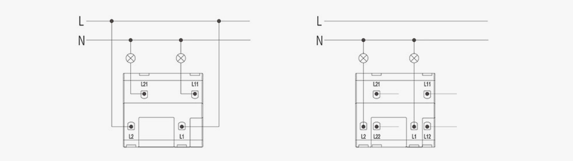
Sơ đồ 3: Cách đấu nối dây công tắc ba 1 chiều và công tắc ba 2 chiều Simon i7

Sơ đồ 4: Hướng dẫn đấu nối dây công tắc bốn 1 chiều và công tắc bốn 2 chiều Simon i7

Sơ đồ 5: Sơ đồ đấu nối dây bộ công tắc trung gian Simon i7
Dòng công tắc và ổ cắm i7 có khả năng lắp đặt nhiều khung viền (từ 1 đến 5 khung viền) với nhiều lựa chọn như: Ổ cắm TV, dữ liệu và đa phương tiện cho phép đáp ứng nhu cầu giải trí, làm việc cho cả mục đích sử dụng dân dụng hay thương mại linh hoạt và tiện ích hơn nhiều so với các dòng công tắc ổ cắm thông thường.
Nhà phân phối chính hãng thiết bị điện Simon tại Việt Nam
Công ty TNHH Sản Xuất Đầu Tư Kim Phong
Hotline: 0889389536